HİDROLİK FRENLİ TİLTİNG ÇEKVALF

  • Ürünler
  • HİDROLİK FRENLİ TİLTİNG ÇEKVALF

HİDROLİK FRENLİ TİLTİNG ÇEKVALF

HİDROLİK FRENLİ TİLTİNG ÇEKVALF

HİDROLİK FRENLİ TİLTİNG ÇEKVALF

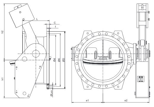
 Hidrolik Frenli Tilting Çekvalf, darbe ve gürültüyü ortadan kaldırmak için özel olarak tasarlanmıştır.
 Kapanma karakteri çalışma koşullarına göre ayarlanabilmektedir.
 Çekvalfin tüm parçaları frenleme etkisinin oluşturacağı gerilimlere dayanacak şekilde dizayn edilmiştir.

Çap: DN 150-1000
Basınç: PN 10-25

Malzeme Özellikleri

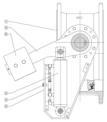
PARÇA NO PARÇA ADI
1 Çekvalf Gövdesi
2 Şase
3 Hidrolik Fren
4 Hız Kontrol Valfleri
5 Kol
6 Ağırlık