
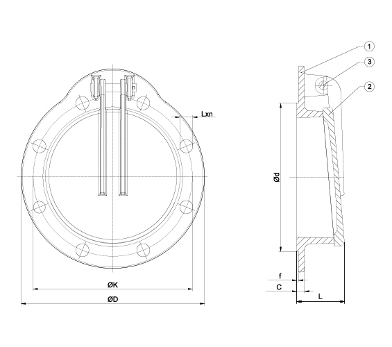
| DN | PN | ØD | ØK | Ød | C | f | ØLxn | L | AĞIRLIK (KG) |
| 200 | 10 | 340 | 295 | 266 | 20 | 4 | 23×8 | 130 | 23 |
| 250 | 10 | 405 | 350 | 319 | 22 | 4 | 23×12 | 138 | 30 |
| 300 | 10 | 455 | 400 | 370 | 24,5 | 4 | 23×12 | 142 | 37 |
| 400 | 10 | 580 | 515 | 480 | 30 | 4 | 28×16 | 177 | 68 |
| 500 | 10 | 715 | 620 | 582 | 32 | 4 | 28×20 | 207 | 112 |
| 600 | 10 | 840 | 725 | 720 | 36 | 5 | 31×20 | 217 | 160 |
| DN | PN | ØD | ØK | Ød | C | f | ØLxn | L | AĞIRLIK (KG) |
| 200 | 16 | 340 | 295 | 266 | 20 | 4 | – | 130 | 23 |
| 250 | 16 | 405 | 350 | 319 | 22 | 4 | 23×12 | 138 | 30 |
| 300 | 16 | 455 | 400 | 370 | 24,5 | 4 | 28×12 | 142 | 37 |
| 400 | 16 | 580 | 515 | 480 | 30 | 4 | 31×16 | 177 | 68 |
| 500 | 16 | 715 | 620 | 582 | 32 | 4 | 34×20 | 207 | 112 |
| 600 | 16 | 840 | 725 | 720 | 36 | 5 | 27×20 | 217 | 160 |
Copyright @2020 Erberg Endüstriyel Ürünler İç ve Dış Tic. San. Ltd. Şti. | Designed by Telmar