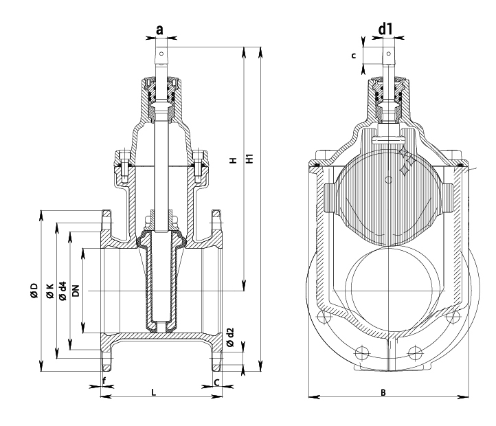
– Elastomer yataklı, düz tam geçişli sürgülü vana.
– Flanşlar EN 1092-2’ye göredir ve En 1092-PN10’a göre delinir.
– DN 200’de PN 16 için sipariş esnasında lütfen belirtiniz.
. ( Diğer standartlar talep üzerinedir. )
– Standart versiyon: Volanlı ve uzatma milsiz.
– Özel tasarım: Talebe göre.
– Flanşlı sürgülü vana.
– Akışkan: İçme suyu.
– Korozyon karşı %100 koruma.
– EN 1074-1 ve 2 standartlarına uygun.
– Tam kesitli düz geçiş özelliği.
– Tamamı vulkanize kauçuk kaplı sürgü.
– Düşük çalışma torku gereksinimi.
– Aşınmasız Sürgü kılavuzu.
Çap: DN 50-200
Basınç: PN 10-16



Copyright @2020 Erberg Endüstriyel Ürünler İç ve Dış Tic. San. Ltd. Şti. | Designed by Telmar